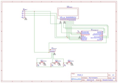
Download Layout Placa Pix Via Google Drive CDR
Collection 14 file cdr free about layout placa pix via google drive. Download now.
Files Available
Google Drive : Sign-in
Access Google Drive with a Google account (for personal use) or Google Workspace account (for business use).
DownloadPlaca Display com Qrcode Pix | Elo7 Produtos Especiais em 2025
Placa Display Com Qrcode Do Pix . Aquela Peça Maravilhosa Que Traz Praticidade E Nos Encanta!! Um Luxo!Nosso Prazo De Confecção Só É Iniciado Após Recebimento Desses Dados. A Logomarca Deve Ser Enviada Em Formatos Vetorizados Como Cdr Ai Eps Svg Pdf...
DownloadDisplay de Acrílico Pix Qr Code - Placa Pix (10x15) | Elo7
Favoritar Placa Pix Personalizada em Acrilico - Prata. Placa acrílico para pagamento via pix , placa pix . De: R$ 59,90 Por: R$ 49,90.Termos de uso Política de privacidade Política de devolução e reembolso Fale com a gente App Store Google Play.
DownloadPlaca Personalizada
Pastas Executivas. Pen Drive . Placa PIX . Placas de Homenagem.A Placa Pix é ideal para você transformar a maneira como realiza transações online em seu negócio. Economize com taxas de maquininha de cartão.
DownloadPlaca Pix Display Pix Wifi Instagram Google Negócios... - Loja Dinka
Descrição do produto. Aproveite essa oportunidade e obtenha a sua Placa Quadrupla para inovar o seu negocio e trazer mais comodidade ao seu cliente! A plaquinha conta com 04 espaços, sendo eles: Pix , Wi-fi, Instagram e Google Negócios!
DownloadPlaca Pix Para Pagamento Qrcode Em Acrílico - R$ 49,9
CONTEÚDO DA EMBALAGEM - 1 Placa Pix . Quais dados posso colocar na placa ? - O Logotipo da sua empresa (Pode ser enviado em vetor CDR , AI, EPS ou PDF) - O seu QrCode (Pode ser enviado em Imagem) - Sua Chave PIX e nome da empresa.
Download5.9 million+ Stunning Free Images to Use Anywhere - Pixabay
Find your perfect royalty-free image or video to download and use. Royalty-free No attribution required High quality images.
Downloadplay. google .com/store/apps/details?id=com.happproxy&hl=ru
DownloadAwesome Screen Recorder & Screenshot - Chrome Web Store
Average rating 4.7 out of 5 stars. Learn more about results and reviews. Record screen and camera, take a screenshot, edit, and share via Google Drive .
Downloadfooocus_colab.ipynb - Colab
Save collapsed section layout . Show/hide code.Deploy to Google Cloud Run. Command palette. Settings.
DownloadYou May Also Like
Partner Resources
- Download Baixar Vetor Dia Das Mães X8 CDRvia cdr5.sublimacao.site
- Download Bandeira De Tecido 2024 CDRvia cdr5.sublimacao.site
- Download Layout Religioso X8 CDRvia cdr6.sublimacao.site
- Download Fundo Talheres Infantis CDRvia cdr4.sublimacao.site
- Download Estampa Abadá Coreldraw CDRvia cdr9.sublimacao.site
- Download Fundo Flâmula Decorativa Editável CDRvia cdr2.sublimacao.site